產品簡介
GZ電磁振動給料機主要用于把塊狀、粒狀及粉狀物料從貯料倉或漏斗中均勻連續或定量地給到收料裝置中去,具有體積小、重量輕、安裝方便、無轉動部件、無需潤滑、維修方便、工作頻率高、消耗電能少等特點,廣泛應用于礦山、冶金、煤炭、建材、化工、電力、糧食等各行業中。本系列給料機分普通型、封閉式、上振型、輕槽型、平槽型、寬槽型。
適用行業
廣泛應用于礦山、冶金、煤炭、電力、化工、食品、玻璃、耐火材料等行業。
適用物料
適用于冰糖、可可豆、藥片、醫藥粉、石英砂、鋯剛玉、碳化硅、塑料顆粒、橡膠粉、PVC顆粒等。
產品結構
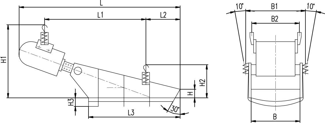
GZ電磁振動給料機結構簡圖

工作原理
電磁振動給料機的給料過程是利用電磁振動器驅動給料槽沿傾斜方向周期往復運動來實現的,當給料機振動的加速度垂直分量大于重力加速度時,槽中的物料將被拋起,并按照拋物線的軌跡向前進行跳躍運動,拋起和下落在1/5秒內完成,料槽每振動一次槽中的物料被拋起向前跳躍一次,這樣槽體以每分鐘3000次的頻率振動,物料相應地被拋起向前跳躍,使物料均勻連續向前移動,實現給料。
產品特點
1、采用半波整流控制線路,可在額定產量內無級調節給料量,可用于自動控制的生產流程中,實現生產自動化。;
2、可根據用戶要求,提供自動穩幅控制系統,給料機振幅波動≤±3%。配套微機控制箱可實現智能化給料,穩定性高等;
3、結構簡單,重量輕,不需要潤滑,維修方便;
4、由于采用近共振原理,故能耗低。物料在槽內呈微拋運動,料槽磨損??;
型號說明

技術參數
(1)設備選型
| 分 類 | 型號規格 | 使 用 范 圍 |
基本型 (下振型) | GZ1—11 | 適應無特殊要求的物料輸送 |
|
| 上振型 | GZ3S—8S | 用于配置空間不夠,振動器設在 基本型180°相對位置上。 |
|
| 封閉型 | GZ1F—6F | 用于易碎顆粒狀物料,防止粉塵飛揚 |
| 輕槽型 | GZ5Q—8Q | 輸送輕物料 |
| 平槽型 | GZ5P—7P |
|
| 寬槽型 | GZ5K1—K4 | 適用于選煤,亦可用于向篩分設備給料。 |
實際容量大于或小于上述計算容重時,處理量按實際物料容重進行換算。粒度小于1mm的物料,輸送速度下降,含水量大于10%的潮濕粘性物料不能正常輸送,料層厚度H超過一定值,會妨礙正常給料,推薦H=(1/3-1/4)槽高。
(2)配套控制箱
| 給料機型號 | 普通控制箱型號 | 給料機型號 | 普通控制箱型號 |
| GZ1 | XKZ-5G2 | GZ6,GZ7 | XKZ-50G3 |
| GZ2、GZ3 | XKZ-10G2 | GZ8,GZ9 | XKZ-200G3 |
| GZ4、GZ5 | XKZ-20G2 | GZ10,GZ11 |
| GZ5K(1-4) | XKZ-20G2 |
|
|
(3)技術參數
| 類型 | 型號 | 生產率(t/h) | 給料粒度(mm) | 雙振幅(mm) | 振動頻率(HZ) | 電壓(V) | 電流(A) | 功率(kw) | 重量(kg) |
|
|
| 水平 | 10° | 工作電流 | 表示電流 |
| 基本型 | GZ1 | 5 | 7 | 50 | 1.75 | 3000 | 220 | 1.34 | 1 | 0.06 | 77 |
| GZ2 | 10 | 14 | 50 | 3 | 2.3 | 0.15 | 151 |
| GZ3 | 25 | 35 | 75 | 4.6 | 3.5 | 0.2 | 233 |
| GZ4 | 50 | 70 | 100 | 8.4 | 7 | 0.45 | 460 |
| GZ5 | 100 | 140 | 150 | 12.7 | 10.6 | 0.65 | 668 |
| GZ6 | 150 | 210 | 200 | 1.5 | 380 | 16.4 | 13.3 | 1.5 | 1271 |
| GZ7 | 250 | 350 | 300 | 24.6 | 20 | 2.5 | 1920 |
| GZ8 | 400 | 560 | 300 | 39.4 | 32 | 4 | 3040 |
| GZ9 | 600 | 840 | 500 | 47.6 | 38.6 | 5.5 | 3750 |
| GZ10 | 750 | 1050 | 500 | 39.4×2 | 32×2 | 4.0×2 | 6491 |
| GZ11 | 1000 | 1400 | 500 | 47.6×2 | 38.6×2 | 5.5×2 | 7680 |
| 上振型 | GZ3S | 25 | 35 | 75 | 1.75 | 220 | 4.6 | 3.8 | 0.2 | 242 |
| GZ4S | 50 | 70 | 100 | 8.4 | 7 | 0.45 | 457 |
| GZ5S | 100 | 140 | 150 | 12.7 | 10.6 | 0.65 | 666 |
| GZ6S | 150 | 210 | 200 | 1.5 | 380 | 16.4 | 13.3 | 1.5 | 1246 |
| GZ7S | 250 | 350 | 250 | 24.6 | 20 | 2.5 | 1963 |
| GZ8S | 400 | 560 | 300 | 39.4 | 32 | 4 | 3306 |
| 封閉型 | GZ1F | 4 | 5.6 | 40 | 1.75 | 220 | 1.34 | 1 | 0.06 | 78 |
| GZ2F | 8 | 11.2 | 40 | 3 | 2.3 | 0.15 | 154 |
| GZ3F | 20 | 28 | 60 | 4.6 | 3.8 | 0.2 | 247 |
| GZ4F | 40 | 50 | 60 | 8.4 | 7 | 0.45 | 464 |
| GZ5F | 80 | 112 | 80 | 12.7 | 10.6 | 0.65 | 668 |
| GZ6F | 120 | 168 | 80 | 1.5 | 380 | 16.4 | 13.3 | 1.5 | 1278 |
| 輕槽型 | GZ5Q | 100 | 140 | 200 | 1.75 | 220 | 12.7 | 10.6 | 0.65 | 653 |
| GZ6Q | 150 | 200 | 250 | 1.5 | 380 | 16.4 | 13.3 | 1.5 | 1326 |
| GZ7Q | 250 | 350 | 300 | 24.6 | 20 | 2.5 | 1992 |
| GZ8Q | 400 | 560 | 350 | 39.4 | 32 | 4 | 3046 |
| 平槽型 | GZ5P | 50 | 140 | 100 | 1.75 | 220 | 12.7 | 10.6 | 0.65 | 633 |
| GZ6P | 75 | 210 | 300 | 1.5 | 380 | 16.4 | 13.3 | 1.5 | 1238 |
| GZ7P | 125 | 350 | 350 | 24.6 | 20 | 2.5 | 1858 |
| 寬槽型 | GZ5K1 |
| 200 | 100 | 1.5 | 220 | 12.7×2 | 10.6×2 | 0.65×2 | 1212 |
| GZ5K2 |
| 240 | 100 | 12.7×2 | 10.6×2 | 1343 |
| GZ5K3 |
| 270 | 100 | 12.7×2 | 10.6×2 | 1376 |
| GZ5K4 |
| 300 | 100 | 12.7×2 | 10.6×2 | 1408 |
注:若物料濕度大于8%,粒度小于30目,產量會明顯下降;粘性物料難以輸。
(4)外形尺寸
圖1 GZ1-GZ5基本型電磁振動給料機
表1
| 型號 | L | L1 | L2 | L3 | H | H1 | B | B1 | B2 | B3 |
| GZ1 | 600 | 213 | 550 | 910 | 100 | 350 | 200 | 280 | 340 | 376 |
| GZ2 | 800 | 310 | 660 | 1175 | 120 | 450 | 300 | 388 | 458 | 508 |
| GZ3 | 900 | 311 | 790 | 1325 | 150 | 520 | 400 | 496 | 518 | 578 |
| GZ4 | 1100 | 418 | 965 | 1615 | 200 | 650 | 500 | 620 | 686 | 762 |
| GZ5 | 1200 | 465 | 1050 | 1815 | 250 | 765 | 700 | 850 | 751 | 852 |
圖2 GZ6-GZ9基本型電磁振動給料機
表2
| 型號 | L | L1 | L2 | L3 | H | H1 | B | B1 | B2 | B3 |
| GZ6 | 1600 | 500 | 1370 | 2410 | 250 | 1030 | 900 | 720 | 1057 | 1092 |
| GZ7 | 1800 | 650 | 1465 | 2800 | 250 | 1130 | 1100 | 840 | 1257 | 1332 |
| GZ8 | 2200 | 750 | 1800 | 3302 | 300 | 1343 | 1300 | 1000 | 1471 | 1556 |
| GZ9 | 2400 | 800 | 2000 | 3515 | 300 | 1440 | 1500 | 1010 | 1676 | 1776 |
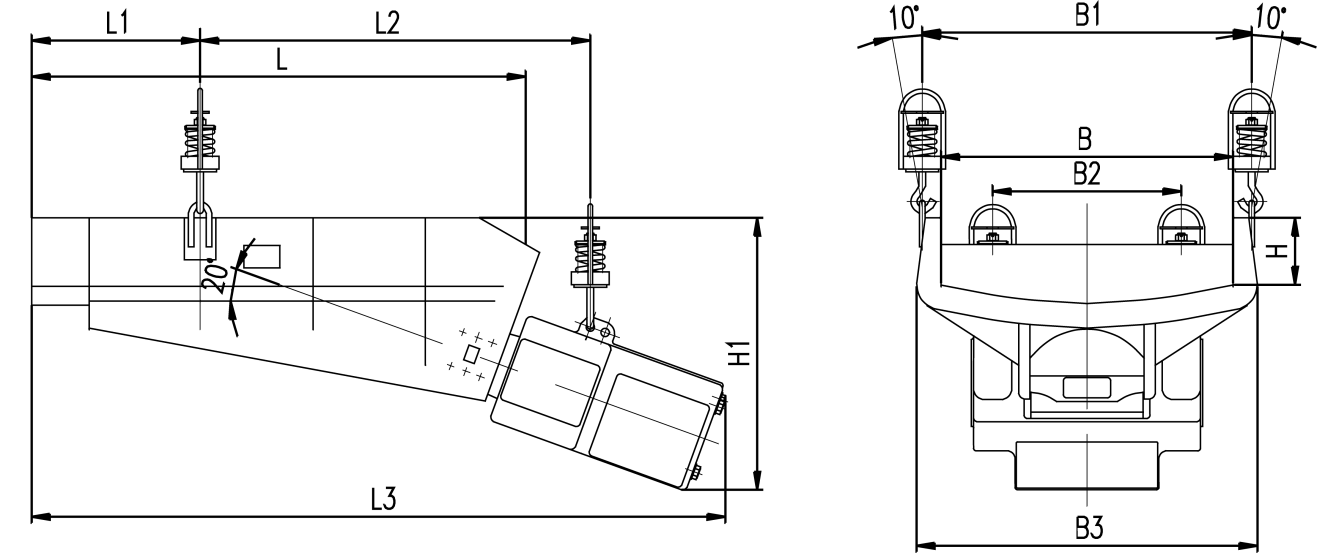
圖3 上振型電磁振動給料機 
表3
| 型號 | L | L1 | L2 | L3 | H | H1 | H2 | H3 | B | B1 | B2 |
| GZ3S | ~1730 | 1030 | 360 | 1000 | 100 | ~690 | ~340 | 89 | 400 | ~490 | 518 |
| GZ4S | ~2020 | 1220 | 410 | 1100 | 120 | ~865 | ~400 | 110 | 500 | ~620 | 682 |
| GZ5S | ~2260 | 1330 | 465 | 1200 | 120 | ~960 | ~420 | 129 | 700 | ~845 | 751 |
| GZ6S | ~2900 | 1640 | 650 | 1600 | 150 | ~1345 | ~790 | 145 | 900 | 1020 | 720 |
| GZ7S | ~3230 | 1800 | 750 | 1800 | 150 | ~1570 | ~910 | 161 | 1100 | 1233 | 840 |
| GZ8S | ~4080 | 2330 | 850 | 2200 | 180 | ~1980 | ~1040 | 203 | 1300 | 1426 | 930 |
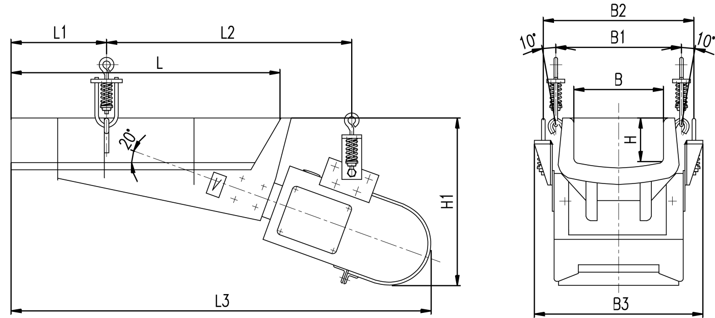
圖4 封閉型電磁振動給料機 
表4
| 型號 | L | L1 | L2 | L3 | H1 | H | B1 | B2 | B |
| GZ1F | 600 | 246 | 716 | 1064 | 410 | 108 | 250 | 340 | 376 |
| GZ2F | 800 | 288 | 903 | 1042 | 520 | 135 | 358 | 456 | 517 |
| GZ3F | 1000 | 300 | 1082 | 1695 | 520 | 170 | 464 | 518 | 585 |
| GZ4F | 1100 | 451 | 1306 | 1940 | 750 | 208 | 574 | 682 | 762 |
| GZ5F | 1200 | 528 | 1483 | 2190 | 893 | 255 | 784 | 751 | 868 |
| GZ6F | 1600 | 584 | 1684 | 2835 | 1200 | 265 | 949 | 720 | 1120 |
圖5 封閉型電磁振動給料機進出料口尺寸
表5
| 型號 | A1 | A2 | A3 | B1 | B2 | B3 | n-ΦD |
| GZ1F | 174 | 2×77 | 120 | 254 | 3×78 | 200 | 10-Φ7 |
| GZ2F | 224 | 2×99 | 160 | 364 | 3×112 | 300 | 10-Φ11 |
| GZ3F | 286 | 2×126 | 200 | 486 | 3×152 | 400 | 10-Φ11 |
| GZ4F | 318 | 2×139 | 220 | 598 | 5×112 | 500 | 10-Φ13 |
| GZ5F | 348 | 2×154 | 240 | 808 | 6×128 | 700 | 16-Φ13 |
| GZ6F | 388 | 2×174 | 280 | 1008 | 6×178 | 900 | 16-Φ13 |
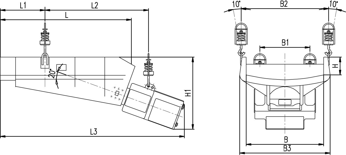
圖6 輕槽型、平槽型電磁振動給料機
表6
| 型號 | L | L1 | L2 | L3 | H | H1 | B | B1 | B2 | B3 |
| GZ5Q | 1600 | 488 | 1414 | 2189 | 250 | 644 | 900 | 1042 | 751 | 1104 |
| GZ6Q | 1800 | 650 | 1406 | 2610 | 250 | 1066 | 1100 | 1257 | 720 | 1192 |
| GZ7Q | 2200 | 750 | 1738 | 3150 | 300 | 1240 | 1300 | 1467 | 840 | 1635 |
| GZ8Q | 2400 | 800 | 1906 | 3464 | 300 | 1360 | 1500 | 1672 | 1000 | 1866 |
| GZ5P | 1200 | 388 | 1140 | 1815 | 250 | 647 | 900 | 1040 | 751 | 1202 |
| GZ6P | 1400 | 450 | 1233 | 2366 | 250 | 1030 | 1100 | 1232 | 720 | 1292 |
| GZ7P | 1600 | 500 | 1440 | 2574 | 250 | 1089 | 1300 | 1457 | 840 | 1532 |
圖7 寬槽型電磁振動給料機
表7
| 型號 | B | B1 | B2 | B3 |
| GZ5K1 | 1600 | 1750 | 900 | ~1872 |
| GZ5K2 | 1900 | 2050 | 100 | ~2172 |
| GZ5K3 | 2200 | 2350 | 1200 | ~2475 |
| GZ5K4 | 2500 | 2650 | 1400 | ~2772 |